Version Beschreibung Bemerkung
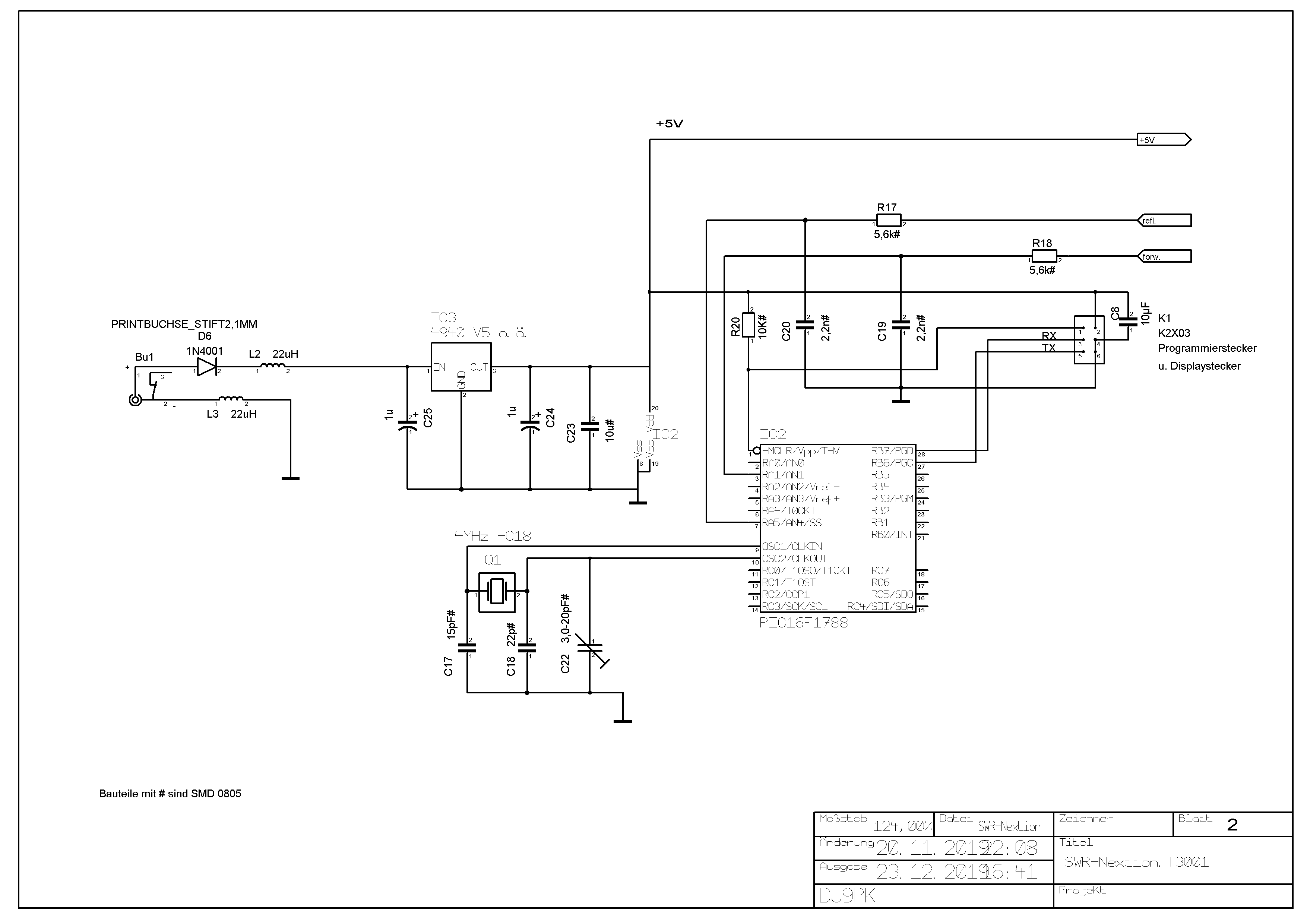
V7 - V9 Schaltbild Seite 2 .GIF
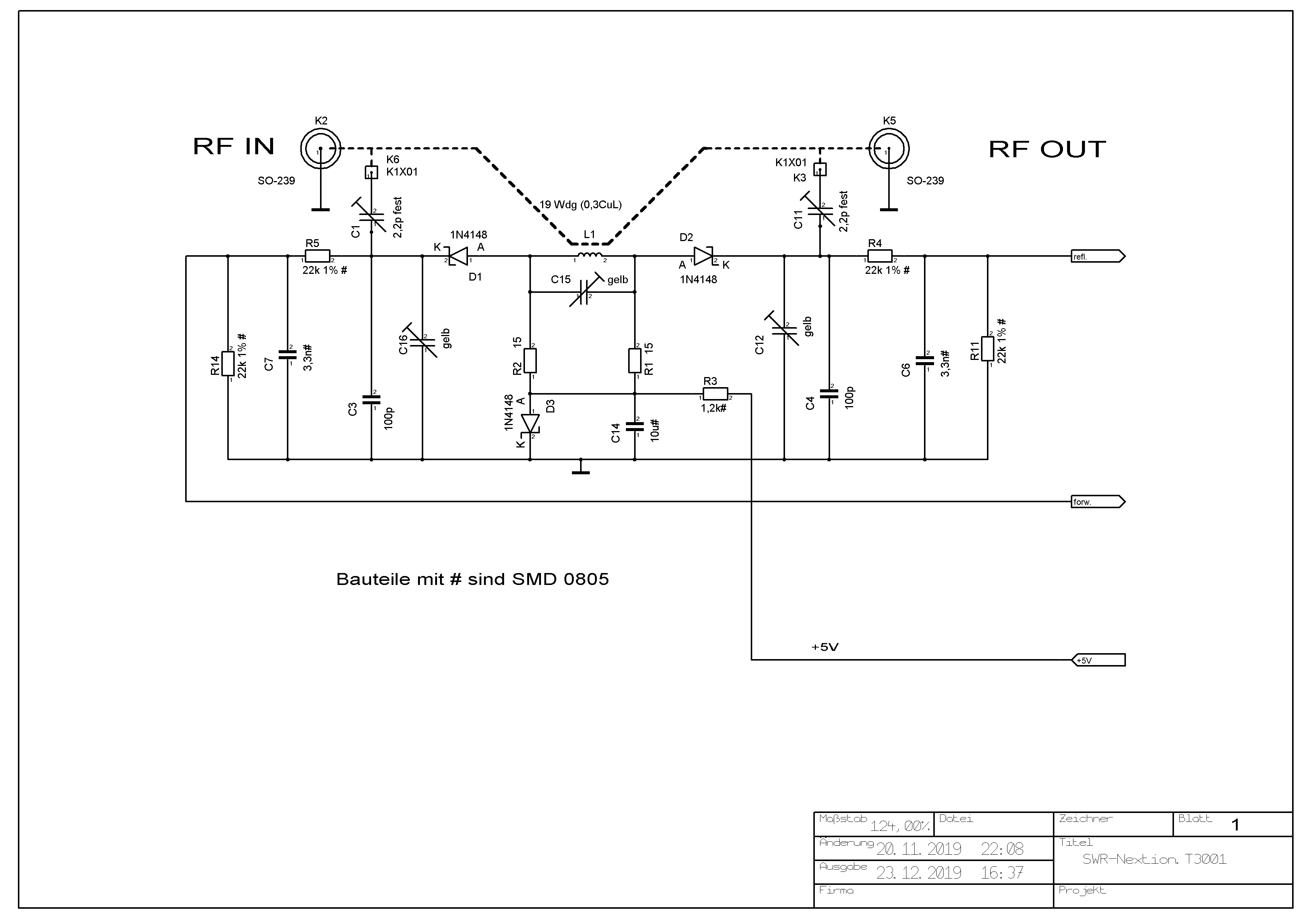
V7 - V9 Schaltbild Seite 1 .GIF
V9 Dokumentation .PDF

downloads

bestellen techn. Daten Bilder downloads Startseite

SWR-Meter PEP-Wattmeter
mit graphischem touch display

SWR-Meter